产品概述
FWK系列防爆温控器主要用于防爆性气体和粉尘环境的各种仪器仪表、电热带、电加热器的控温。
资质证书
1)实用新型专利(证号:ZL 2018 2 1216264.0)
2)CCC中国国家强制性产品认证(证号:2021122304114428),防爆合格证(防爆证号:CJEx21.0809)防爆标志:Ex db IIC T4 Gb(气体环境)/ Ex tb IIIC T130℃ Db(粉尘环境),防护等级:IP66)
结构特点
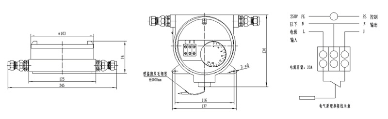
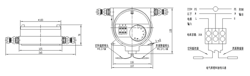
1)结构为隔爆、防水、防尘型。外壳采用ZL102铝合金压铸,CNC加工中心加工,2.0MPa水压测试。
2)防爆温控器的核心控制元件分别为液胀式机械温控器(韩国RAINBOW)、电子数显式智能温控器(日本OMRON)、智能双控温控模块(永安自主知识产权)。
3)配套黄铜镀镍防爆填料函M20*1.5,适用线缆外径:7-12mm,可接电源线和恒功率并联电热带;如需直接连接自限温电热带,可更换其中一个格兰(密封圈为8*14椭圆孔)。
防爆温控器(机械式,单控)

产品型号:FWK-60、FWK-120、FWK-200
温控核芯:韩国RAINBOW液胀式温控器
动差范围:≤±4℃
额定电压:250VAC及以下
额定电流:≤20A
控温范围:-20~60℃、0~120℃、0~200℃

防爆温控器(机械式,双控)

产品型号:FWK-120/120、FWK-120/150
温控核芯:液胀式温控器
动差范围:≤±4℃
额定电压:250VAC及以下
额定电流:≤16A
控温范围:定值温控120℃/150℃,可调温控30~120℃
